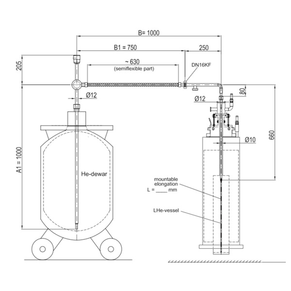
液氦軟管——液氦傳(chuan) 輸管道是用於(yu) 液氦杜瓦傳(chuan) 輸低溫液氦的專(zhuan) 用真空軟管及真空硬管係統,其具有高真空,保溫性強的特點,針對超低溫液位的傳(chuan) 輸具有漏率低效率高的特點。主要適用於(yu) 液氦,或者液氮的超低溫液體(ti) 傳(chuan) 輸。液氦杜瓦與(yu) 杜瓦之間的液體(ti) 傳(chuan) 輸,杜瓦向設備內(nei) 部的控製性傳(chuan) 輸等操作。

液氦專(zhuan) 用管路,具有更高的傳(chuan) 輸效率
管路具有更低的熱損耗
降低氣壓損耗
根據使用需要可設計各種外形尺寸的傳(chuan) 輸管道
優(you) 化尺寸設計
自動控製閥門及手動控製開關(guan) 及流量閥門
各種拓展零件
配套手動液氦截至閥調節液體(ti) 流量



可以根據用戶現場情況定製
專(zhuan) 用於(yu) 液氦傳(chuan) 輸的液氦/液氮傳(chuan) 輸管輸液管以極高的低溫傳(chuan) 輸性能, 廣泛應用於(yu) 國內(nei) 各大實驗室及超導磁體(ti) 行業(ye) .
1. 高真空多層絕熱管道設計結構有效杜絕了熱量的對流、傳(chuan) 導和幅射。
2. 內(nei) 外管之間采用了多層結構,使用了反射屏鋁箔等,熱輻射造成的輻射傳(chuan) 熱對內(nei) 管的低溫液體(ti) 影響降到了最低。
3. 高真空多層絕熱管道的內(nei) 、外管之間采用支撐和襯環支持;各傳(chuan) 輸管單元之間采用特殊封頭連接,這種回廊式結構有效阻止了內(nei) 管和外管之間的熱傳(chuan) 導。



液氦傳(chuan) 輸管路是用來傳(chuan) 輸液氦的柔性傳(chuan) 輸管線,可用來高效傳(chuan) 輸低溫液氦。
該係列管線有多種配置,可滿足從(cong) 實驗室研究到工業(ye) 生產(chan) 的灌裝和分配。可根據客戶要求定製各種尺寸規格,內(nei) 徑可從(cong) 1 / 8″至2″,最長長度可達100英尺。
主要用來從(cong) 大型液氦杜瓦瓶傳(chuan) 輸液氦至小型液氦杜瓦瓶,或者從(cong) 用液氦杜瓦瓶為(wei) 核磁做補液使用。根據客戶具體(ti) 用途定製柔性管路和硬管具體(ti) 長度。
