在鋁合金型材使用的模具的擠壓過程中,被擠壓的鋁合金坯錠要預先加熱到450℃-550℃,鋁合金模具也要預先加熱到適當溫度,在鋁合金模具的擠壓生產(chan) 過程中,坯錠在擠壓力作用下從(cong) 模具口出來並且形成型材產(chan) 品,鋁錠出模過程中,變形和摩擦原因會(hui) 產(chan) 生很大熱量,這樣不斷提高模具係統溫度,係統擠壓速度越快,模具溫度也越快。由此帶來問題:從(cong) 模具口處擠壓出的高溫鋁合金型材易與(yu) 空氣接觸發生氧化使產(chan) 品組織性能下降。模具強度和抗磨性能下降,壽命降低,生產(chan) 效率不斷降低。這是製約鋁合金擠壓生產(chan) 中存在的普遍技術問題。
產(chan) 品介紹:
液氮冷卻模具--該係統是在鋁型材擠壓過程中通過少量液氮來冷卻擠壓模具,不幹擾生產(chan) 質量的前提下,提升擠壓速度2-3成。甚至更高的水準。通過液氮製冷模具終端,平衡模具因提高擠壓速度而升高的溫度。從(cong) 而帶來型材表麵過燒,模具磨損加劇等問題。液氮的平衡溫度法,使模具溫度保持在可接受範圍內(nei) ,讓模具能夠可持續的長期穩定保持生產(chan) 效率。液氮消耗後的氮氣可以保護高溫型材表麵不受氧化。增加產(chan) 品的光亮性。
冷卻係統實現方案:
為(wei) 了解決(jue) 鋁型材模具擠壓過程中的的以上問題,我們(men) 設計實踐出的液氮冷卻模具係統從(cong) 根本上是一套恒溫擠壓模具係統。用於(yu) 有效控製鋁型材出模過程中升溫過程所帶來的一係列問題。從(cong) 而從(cong) 根本上提高產(chan) 品質量和生產(chan) 效率。間接提高模具利用率。延長模具壽命。
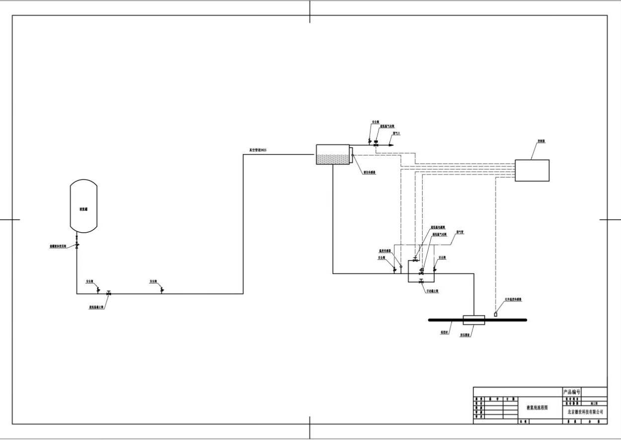
液氮冷卻模具主要由能夠通入液氮的鋁材擠出模具裝置,和一套完整的液氮控製輸送係統組成,鋁材擠出模具經過特殊結構設計,而液氮控製輸送係統由以下幾個(ge) 重要部分組成:
1自增壓液氮儲(chu) 罐(最好包含遠程液位係統,可以向係統提供遠程液位報警)
2集成控製係統(程序控製係統及模塊組成)
3液氮輸送真空軟管路係統(根據輸送需求選用管路通徑,根據現場情況確定管路長度)
4液氮管路安全係統(管路安全係統負責整體(ti) 管路氣體(ti) 液體(ti) 安全保障)
5液氮低溫調節閥門(主要通過係統控製閥門來調節液氮通過量)
6在擠壓模具出口端安裝有紅外測溫探頭(紅外溫度探頭連接集成控製係統反饋模具出模溫度)
產(chan) 品特點:
1 平衡模具終端溫度。提高型材生產(chan) 效率
2 抗氧化,增加產(chan) 品表麵光亮性
3 減少模具損耗,穩定生產(chan) 效率

技術方案:
鋁擠壓模具液氮冷卻係統,包括模具端和液氮供應係統及控製係統。鋁模具端設置有模具液氮套裝,包含有液氮進液套裝、紅外溫度探頭和液氮進液端口組成。液氮供應係統主要有液氮罐體(ti) 組成。根據客戶係統的液氮使用量來選擇液氮罐體(ti) 的大小。
控製係統主要由液氮輸送管路、控製閥體(ti) 、溫度監控、自動旁通、安全係統等一整套係統整合的自動控製係統組成。液氮輸送管路負責從(cong) 液氮罐體(ti) 輸送液氮到控製係統閥體(ti) ,再輸送到鋁模具端液氮套裝內(nei) 部。整體(ti) 係統運行由控製係統來運作。
模具的液氮冷卻過程通過計算機係統精確控製,液氮供應及控製係統能精確控製液氮流量,不會(hui) 造成坯料過冷,可以保證閥體(ti) 開度,保證最佳冷卻效果及其最佳工藝溫度,從(cong) 而最大限度提高擠壓效率。
鋁擠壓模具使用液氮冷卻技術,從(cong) 液氮罐端提供的充足液氮,到達中央真空控製閥體(ti) 後,係統根據模具擠壓端的紅外測溫儀(yi) 探測得到的溫度,調節後,精確控製液氮流量,以便能夠控製最終模具出液端液氮的流量,整體(ti) 回路係統,精確控製擠壓模具溫度,又實現了恒溫擠壓。液氮經過模具受熱後變成氣體(ti) ,然後從(cong) 模具墊出口汽化流出,整體(ti) 過程形成的惰性氮氣對高溫型材進行了有效保護,也完全避免了表麵氧化,從(cong) 而提高了鋁型材表麵質量,擠壓速度相比於(yu) 以往可提高17~27%;模具使用壽命也得到提高。

開機畫麵:係統開機後,將自動進入開機畫麵,點擊“進入係統”按鈕,將進入係統主窗口畫麵。

主窗口畫麵:此畫麵主要顯示係統運行信息和狀態,以及基本的操作。

用戶登錄按鈕:點擊用戶登錄按鈕將彈出用戶登錄對話框,選擇用戶名和輸入密碼即可進行用戶登錄


編輯配方功能按鈕:點擊此按鈕將彈出配方編輯表,我們(men) 可以進行對配方的所有操作

手動啟動開度:設定係統啟動到擠壓信號到來時的閥門開度。


曆史曲線:可以將溫度的存盤數據以曲線的方式進行查詢

數據導出:可以將溫度,液位,液氮消耗量的數據用U盤導出為(wei) EXCEL格式方便查看與(yu) 保存。

操作機櫃(根據客戶需求定製)
PLC控製係統





